switek email

sales06@switek.biz

switek whatsapp

+86 186 5927 5869

.

การซื้อแขนหุ่นยนต์แบบครบวงจรสำหรับเครื่องฉีดพลาสติก

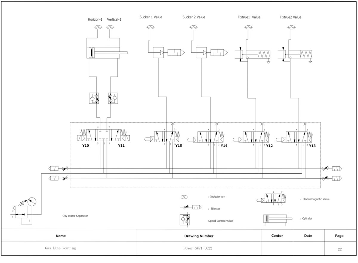
คำแนะนำการติดตั้งแขนหุ่นยนต์ SWITEK สำหรับเครื่องฉีดพลาสติก -- บทที่ 13: การเชื่อมต่อท่ออากาศอัด
เชิงนามธรรม

EOAT ของแขนหุ่นยนต์จะหยิบชิ้นส่วนจากเครื่องฉีดพลาสติกด้วยถ้วยดูดหรือคลิปเปอร์ที่ควบคุมด้วยอากาศอัด สำหรับแขนหุ่นยนต์มาตรฐาน ของ SWITEK เรามีวาล์วสองชุดเพื่อควบคุมถ้วยดูดและวาล์วสองชุดเพื่อควบคุมคลิปเปอร์สำหรับการออกแบบ EOAT ภาพวาดด้านล่างแสดงวิธีการเชื่อมต่อท่ออากาศสำหรับการควบคุมถ้วยดูดและคลิปเปอร์

13.1 การเชื่อมต่อท่ออากาศอัด

robot installation


โซลูชันการฉีดอัตโนมัติแบบครบวงจร

E-mail:sales06@switek.biz



ไอเอ็มแอล เทคโนโลยี เอ็กซ์เพรส

  1. หุ่นยนต์ IML ประสิทธิภาพสูงสำหรับเครื่องฉีดขึ้นรูปไฮบริด HAIDA HD360DY

  2. Fakuma 2023 -- LK IMM จัดแสดง Serov และเครื่องฉีดพลาสติกไฟฟ้าทั้งหมด

  3. NPE 2024 -- ชาวเฮติจัดแสดงเครื่องฉีดขึ้นรูปแบบสองแท่นรุ่น Jupiter Series รุ่นที่ 5

  4. K-2022 โซลูชั่น IML แบบครบวงจรของ Yizumi On Show พร้อมเครื่องฉีดพลาสติกไฟฟ้าความเร็วสูง PAC250E

  5. ระบบ IML ใหม่ของ SWITEK สำหรับการประกอบถังพร้อมด้ามจับเริ่มต้นสำหรับการผลิตจำนวนมาก

  6. Fakuma 2023 -- Arburg จัดแสดงโซลูชันระบบอัตโนมัติของ IML และชุดกล่องเครื่องมือ

  7. วิศวกร SWITEK เสร็จสิ้นการติดตั้งแมกกาซีนใหม่ในประเทศชิลี

  8. Fakuma 2023 -- ดูว่า Spetztekhosnastka Ltd. ผู้จัดแสดง Fakuma จากยูเครนจะคาดหวังอะไร

  9. SWITEK ใหม่ กล่องสี่เหลี่ยม 2 ช่อง 5 หน้าติดฉลาก IML ระบบ IML ทางเข้าด้านบนที่ติดตั้งสำหรับการผลิต

  10. SWITEK ใหม่ 12 ฟันผุ Take Away ถ้วยฝาปิดระบบการกดเริ่มต้นสำหรับการผลิต

สอบถามตอนนี้
ส่ง